WHADDON MKVII
Voilà déjà
quelques temps que nous avons décidé un ami et moi de réaliser chacun un
« WHADDON
MKVII » aussi appelé « PARASET ».
Après
plusieurs mois de recherche pour le matériel mécanique, les composants
électroniques, les données pour la réalisation des selfs RX et TX ainsi que la
self BF, les condensateurs variables, un bon schéma et quel modèle de boîtier
réaliser, suite à de nombreuses fouilles sur les brocantes « RADIO
AMATEUR » de tout azimuts, voici le résultat de toutes ces recherches qui
ont porté leurs fruits.
Et quelques photos de la réalisation.

Photo 01 : Les composants en vrac partie
1

Photo 02 : Les composants en vrac partie
2

Photo 03 : Le plaque
en aluminium de

Photo 04 : Le dessin de découpe et perçage

Photo 05 : Début du perçage avec dessin

Photo 06 : Le perçage terminé sans
Dessin

Photo 07 : Plaque support terminée

Photo 08 : L’autre côté

Photo 09 : Début du positionnement
des composants

Photo 10 : Modification des CV
ajustable en CV variable voir description
Photo 11 : Tous les composants sur le
dessus du chassis
Photo 12 : Tous les composants sur le
dessous du chassis

Photo 13 : Tous les composants sur le
dessus du chassis
Photo 14 : 1er essai dans la valise
en carton de récupération
Photo 15 : 2em essai dans la valise
en carton de récupération

Photo 16 : Dessin pour réalisation du
mandrin de la self BF

Photo 17 : Les pièces du mandrin de
la self BF terminée
Photo 18 : Essai de l’assemblage des pièces du mandrin self
BF
Photo 19 : Essai de l’assemblage des pièces du mandrin self
BF

Photo 20 : Carcasse de la self BF

Photo 21 : Bobinage de la self BF --- 2850 Ohms

Photo 22 : Mesure de la résistance de
la self BF
Photo 23 : La self BF

Photo 24 : La self BF

Photo 25 : Emplacement de la self BF sur le chassis radio

Photo 26 : La self BF assemblée

Photo 27 : Support de la self BF

Photo 28 : La self BF assemblée et terminée

Photo 29 : La self BF placée sur le chassis

Photo 30 : Une vue du chassis du Paraset

Photo 31 : Supports tubes,
interrupteur etc… placés

Photo 32 : Câblage des masses et filaments
etc…

Photo 33 : Toutes les résistances placées

Photo 34 : Condensateurs placés

Photo 35 : Tous les composants placés

Photo 36 : Vue du chassis
et de la self RX

Photo 37 : Vue du chassis
et de la self RX placée

Photo 38 : Autre vue du chassis et de la self
RX placée

Photo 39 : Chassis
alimentation par batterie 6 Volts

Photo 40 : Chassis
alimentation batterie 6 Volts nu

Photo 41 : Chassis
alimentation batterie 6 Volts

Photo 42 : Boitier alimentation dans
la valise

Photo 43 : Intérieur du chassis alimentation par batterie

Photo 44 : Intérieur du chassis alimentation par batterie

Photo 45 : Ici c’est moi et je soude

Photo 46 : Alimentation par batterie
câblée côté 1

Photo 47 : Alimentation par batterie
câblée coté 2

Photo 48 : Essai d’une alimentation secteur

Photo 49 : Alimentation secteur à l’intérieur
de son boitier

Photo 50 : Alimentation secteur terminée et en ordre de marche

Photo 51 : L’ensemble complet en
service sur casque 4000 Ohms

Photo 52 : Un haut-parleur externe
dans son boitier

Photo 53 : Le Paraset
complet en ordre de marche avec HP

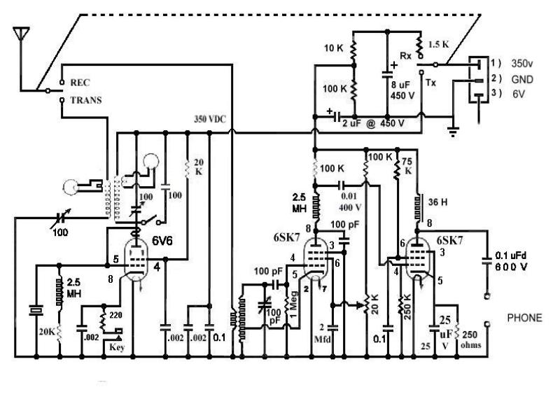
Photo 54 : Le schéma trouvé sur
Internet fonctionnel